HGY互感器特性综合测试仪是专门为继电器保护专业试验电流互感器伏安特性、变比测试及极性判别而设计,还可作变压器极性判别测试,是一台性能价格比,比较高的多功能试验仪器。
本仪器采用低耗材料和特殊绕法的升压器,微处理器进行数据采集、分析和存储,内置微型打印机可打印测试数据和曲线,测CT变比时,可自动计算出变比值。一人操作即完成全部测试工作。本机具有重量轻、携带、操作方便。其性能独特,是目前的仪器。
一、HGY互感器特性综合测试仪技术参数
1、输入电压:交流220V或380V,50HZ,自动识别输入电压。
2、工作环境温度:0~40℃
3、输出电压:
输入交流220V时,输出0~550V;
输入交流380V时,输出0~1000V。
电流:zui大瞬时电流测变比时为240A。
伏安特性测试时为1。
4、数字电压表测量范围:0~999.9V;分辨率:0.1V。
作电流显示时:0~999.9mA;分辨率:0.1mA。
5、数字电流表测量范围:0~1(240A),分辨率:0.01A。
6、误差:I≤3%,U≤3%。
7、测CT变比时,可自动计算变比值,并打印数据和计算结果。
8、测伏安特性时,存储并打印20组电流电压值和伏安特性曲线。
9、外型尺寸:长×宽×高=470×340×260mm3
10、重量:21kg。
二、HGY互感器特性综合测试仪面板图示(图一)及说明
图一
1——电压采集输入端,连接交流输出远端。
2——交流电流输出,连接CT二次侧。
3——输出保险(1)。
4——输出开关。
5——升压调节。
6——四位液晶屏幕电压显示(V)[兼变比测试之CT二次侧电流显示(mA)]
7——四位液晶屏幕电流显示(A)[兼变比测试之CT一次侧电流显示(×10A)]。
8——打印机。
9——数据复位按键。
10——存贮数据按键。
11——打印按键。
12——复位指示灯。
13——存贮指示灯。
14——变比电流输出连接CT一次侧。
15——变比电流输入连接CT二次侧。
16——伏安特性试验与变比测试转换开关。
17——极性判别输入连接CT二次侧。
18——极性判别输出连接CT一次侧。
. 19——极性判别电流显示表,不测试时为零位。
20——极性判别通断按键按一下既接通,松开既关闭。
21——整机接地插座。
22——直流保险(1A)。
23——电源插座。
24——整机电源开关。
(注:上述说明之1-13为伏安特性试验功能。)
三、HGY互感器特性综合测试仪使用方法
(一)、伏安特性试验:
接线如下图所示(图二):
1、使用者根据被测试设备的伏安特性适当选择输入电压,当需要输出380V以上电压时,应输入380V电压。
2、将仪器可靠接地。
3、检查电流互感器无接地点。
4、将开关“16"拨至伏安档。
5、仪器输出和电压测量接至电流互感器二侧(如图二所示)。
6、检查调压器是否归零,打开“24"开关,按一下复位键,其上方的指示灯亮,此时微处理器处于等待存储状态。
7、接通输出开关,缓慢顺时针转动调压器,需存储时按一下存储键,存储键上方指示灯亮,内部蜂鸣器响。(注:每次测量的全过程不允许回调调压器,调到大电流时的停留时间要尽量短。)
. 8、zui多可存储20组电流、电压值。
9、存储完毕后调压器调零。
10、按一下打印键可将测试数据和伏安特性点阵图打印出来。
电分三个量程,量程选择为自动方式,根据采样电压zui大值自动选择某一量程。
① 0—190V 每格代表12.5V
② 200V—499V 每格代表25V
③ 500V—1000V 每格代表50V
电流轴分两个量程,量程选择为自动方式,根据采样电流zui大值自动选择某一量程。
① 0—7A 每格代表0.25
② 7A—1 每格代表0.
11、按一下复位键复位后,可重复测试。
12、试验完毕,断开“4"开关和“24"开关,拔出连接线。
(二)、变比测试:
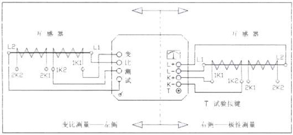
接线如下图(左侧)所示(图三):
图三
1、将开关“16"拔至变比档。
2、电源输入为220V。
3、将旋钮“5"旋至零位,打开开关“24"后,开关“4"打开,缓慢转动旋钮“5",使表头“7"显示一电流值I0(A)(注:此电流实际读数应扩大10倍),同时表头“6"有一对应电流值Ii(mA),待显示稳定后,按一下储存键“10",存储数据。将旋钮“5"旋至零位,按“11"键打印变比数据和计算结果。关断开关“4"。
4、测试完毕,断开电源。拔出连接线。
5、说明:
① 每次只能做一组变比测试,并计算,需重复变比测试时,将开关“16"往前复位后再拨回变比即可重复变比测试。本机变比测试时自动限时半分钟左右。
② 变比的计算结果约为整数“×××"也即“×××比1",用户根据自己的CT换算或“×××比5"等。
③ 变比二次显示值为999.9mA,若超量程使用,自动计算结果将不正确。
(三)、极性判别:
接线如图三右侧所示:
1、用一对测试线连接被测互感器的一次侧和面板上的L+、L-插座。
2、用另一对测试线连接被测互感器的二次侧和面板上的K+、 K-插座。
3、瞬时按一下试验按键“20"(按键的时间要短,否则会缩短仪器的使用寿命),若面板上表头瞬间正偏(即右偏),则被测互感器的一次侧接L+的端头和二次侧接K+的端头为同极性端;反之为非同极性端。(按键断开瞬间的批针指向与按键接通瞬间相反,这是正常现象。)
4、测试完毕,断开电源,拔出连接线。
5、变压器的极性判别可参照此方法测试。
四、HGY互感器特性综合测试仪注意事项
1、电流互感器二次线圈不应有接地点。
2、调压器开关及输出开关在断开位置方可接线和拆线。
3、试验前本装置应可靠接地。